CWS蝸輪蝸桿減速機

CWS圓弧圓柱蝸桿減速機采用單級蝸桿減速傳動,全系列包括三種型號、十六種中心距、十二種速比。輸入功率范圍在0.39-189KW之間,輸出扭矩在107-43500N.m之間。
圓弧圓柱蝸桿減速機具有承載能力大、傳動效率高、使用可靠、壽命長等優點,可適用于冶金、礦山、起重、運輸、化工、建筑等各種行業機械設備的減速傳動。
減速器的蝸桿軸可正、反兩個方向運轉,輸入轉速不超過1500r/min,工作環境溫度為-40-40°C。當工作環境溫度低于0°C時,起動前潤滑油必須加熱到0°C以上;當工作環境溫度高于40°C時,必須采取冷卻措施。
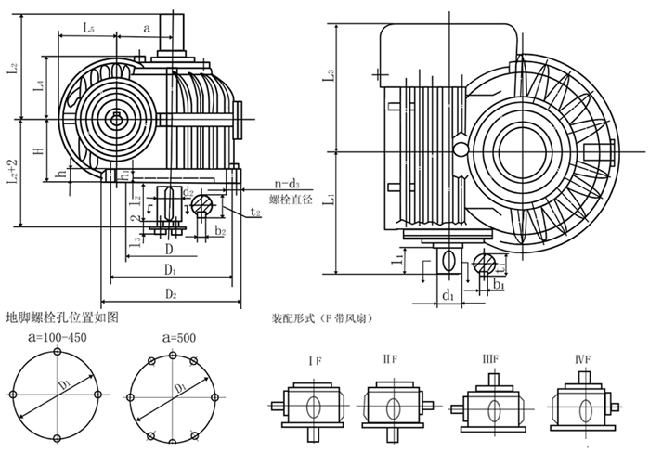
CWS63—CWS100型減速器外形和安裝尺寸:

CWS125—CWS500型減速器外形和安裝尺寸:

上一篇: WXJ圓柱蝸輪蝸桿減速機
下一篇: CWO系列圓弧蝸輪蝸桿減速機
